Gdzie jest moduł komfortu Passat B5? Lokalizacja i naprawa
31 sierpnia 2025
Gdzie jest moduł komfortu Passat B5? Dowiedz się, jak zlokalizować, zdiagnozować i naprawić sterownik centralnego zamka. Sprawdź nasz poradnik!
31 sierpnia 2025
Gdzie jest moduł komfortu Passat B5? Dowiedz się, jak zlokalizować, zdiagnozować i naprawić sterownik centralnego zamka. Sprawdź nasz poradnik!
Czy koło zapasowe jest obowiązkowe w Polsce? Poznaj przepisy, dopuszczalne alternatywy (zestaw naprawczy, Run Flat) i konsekwencje braku wyposażenia. Sprawdź!
Rozładowany akumulator i zablokowane auto? Odkryj sprawdzone metody awaryjnego otwierania samochodu. Dowiedz się, jak to zrobić bezpiecznie!
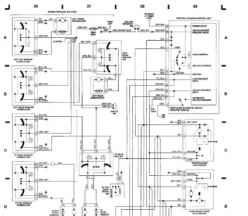
Poznaj zasadę działania centralnego zamka, jego kluczowe elementy i schemat. Odkryj najczęstsze awarie i dowiedz się, jak samodzielnie zdiagnozować problem.
Gdzie jest koło zapasowe w Fordzie S-Max? Sprawdź nasz szczegółowy poradnik krok po kroku, jak je wyjąć, co zrobić z zestawem naprawczym i uniknąć problemów.
Zlokalizuj moduł komfortu Audi A4 B5 pod dywanikiem kierowcy. Poznaj objawy awarii, diagnozę zalania i instrukcję wymiany. Sprawdź teraz!
Lokalizacja sterownika centralnego zamka Ford Galaxy (Mk1, Mk2, Mk3). Poznaj objawy awarii i jak samodzielnie zdiagnozować moduł komfortu. Sprawdź nasz poradnik!
Problem z zamkiem w Volvo V70? Odkryj, gdzie jest sterownik (CEM) i jak go naprawić. Sprawdź nasz przewodnik!
Gdzie jest moduł UCH w Laguna 2? Poznaj lokalizację sterownika centralnego zamka, objawy awarii i instrukcję demontażu. Rozwiąż problem!