to niepozorny, ale niezwykle ważny element wyposażenia każdego współczesnego samochodu. Jego głównym zadaniem jest zapewnienie komfortu i bezpieczeństwa poprzez możliwość jednoczesnego ryglowania i odryglowywania wszystkich drzwi pojazdu. Zrozumienie, jak działa ten system, a zwłaszcza zapoznanie się z jego schematem, może okazać się nieocenione, szczególnie gdy napotkamy na pierwsze oznaki awarii i będziemy chcieli samodzielnie zdiagnozować problem, zanim udamy się do mechanika.
Centralny zamek w samochodzie kluczowe elementy i zasada działania
- Centralny zamek to system elektryczny, który umożliwia jednoczesne ryglowanie i odryglowywanie wszystkich drzwi pojazdu za pomocą jednego impulsu.
- Sercem systemu jest sterownik, który odbiera sygnały i zarządza pracą siłowników.
- Kluczowe elementy to sterownik, siłowniki (Master i Slave), wiązki elektryczne oraz pilot.
- Siłownik Master (zazwyczaj w drzwiach kierowcy) inicjuje działanie, informując sterownik o pozycji rygla, podczas gdy siłowniki Slave jedynie wykonują polecenia.
- Najczęstsze awarie obejmują uszkodzone siłowniki, przetarte wiązki w przelotkach oraz problemy z mikrostykami, szczególnie w autach grupy VAG.
- Diagnostyka często zaczyna się od prostych testów, takich jak sprawdzenie działania z kluczyka vs. pilota oraz kontrola bezpieczników.

Centralny zamek w samochodzie: poznaj jego serce i mózg
Od kluczyka do działania: prosta zasada działania centralnego zamka
Podstawowa zasada działania centralnego zamka opiera się na prostym mechanizmie przekształcania impulsu elektrycznego w ruch mechaniczny. Kiedy przekręcasz kluczyk w zamku drzwi kierowcy, naciskasz przycisk na desce rozdzielczej lub aktywujesz pilota, wysyłasz sygnał do centralnego sterownika. Ten z kolei wysyła odpowiednie napięcie do siłowników umieszczonych w drzwiach. Siłowniki, działając jak małe silniczki elektryczne, poruszają mechanizmem rygla, blokując lub odblokowując drzwi. Cały proces jest błyskawiczny i skoordynowany, zapewniając komfortowe użytkowanie.
Sercem systemu jest sterownik: Jak centralka "rozmawia" z drzwiami?
Sterownik, często nazywany "centralką", jest mózgiem całego systemu centralnego zamka. To on odbiera wszystkie polecenia czy to z kluczyka, pilota, czy przycisku w kabinie i na ich podstawie decyduje, który siłownik ma zareagować i w jaki sposób. W nowszych samochodach sterownik centralnego zamka jest często zintegrowany z modułem komfortu, który zarządza również innymi funkcjami, takimi jak elektryczne szyby czy lusterka. Ta integracja pozwala na bardziej zaawansowane funkcje i lepszą komunikację między różnymi podzespołami elektronicznymi pojazdu.
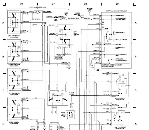
Schemat, który musisz zrozumieć: Jak połączone są elementy układu?
Kluczem do zrozumienia działania centralnego zamka jest spojrzenie na schemat połączeń. Podstawowy układ składa się ze sterownika, który jest połączony wiązkami elektrycznymi z siłownikami w poszczególnych drzwiach. Ważne jest rozróżnienie między siłownikiem Master a Slave. Siłownik Master, zazwyczaj w drzwiach kierowcy, jest bardziej złożony i oprócz silniczka posiada mikrostyki informujące sterownik o stanie zamka. Siłowniki Slave są prostsze i jedynie wykonują polecenia. Schemat pokazuje, jak sygnał inicjowany przez Mastera lub bezpośrednio przez sterownik jest dystrybuowany do pozostałych drzwi, tworząc spójną sieć komunikacyjną.
Kluczowe elementy centralnego zamka: poznaj ich role
Siłownik Master: cichy dowódca w drzwiach kierowcy
Siłownik Master to prawdziwy dowódca w systemie centralnego zamka, zazwyczaj umieszczony w drzwiach kierowcy. Jego unikalność polega na obecności mikrostyków, które nie tylko wykonują polecenie zamknięcia lub otwarcia, ale także informują sterownik o aktualnym stanie zamka. Dzięki temu, gdy przekręcisz kluczyk w zamku drzwi kierowcy, siłownik Master wysyła sygnał do centralki, która następnie zarządza pozostałymi drzwiami. Posiada on zazwyczaj pięć przewodów, co odróżnia go od prostszych siłowników Slave.
Siłowniki Slave: wierni wykonawcy poleceń
Siłowniki Slave to "żołnierze" systemu centralnego zamka, znajdujący się w pozostałych drzwiach pojazdu. Ich konstrukcja jest znacznie prostsza zazwyczaj posiadają tylko dwa przewody. Ich jedynym zadaniem jest wierne wykonywanie poleceń otrzymanych od sterownika. Gdy centralka dostanie sygnał, wysyła napięcie do odpowiedniego siłownika Slave, który natychmiast porusza mechanizmem rygla. Nie posiadają one własnych mikrostyków informujących o stanie zamka.
Różnica między Master a Slave: Dlaczego jeden siłownik jest ważniejszy od innych?
Główna różnica między siłownikiem Master a Slave leży w ich funkcjonalności i budowie. Siłownik Master jest kluczowy, ponieważ to on inicjuje większość działań i dostarcza informacji zwrotnej do sterownika. Bez niego system nie wiedziałby, czy drzwi są otwarte, czy zamknięte, a większość poleceń byłaby nieskuteczna. Siłowniki Slave są jedynie wykonawcami, reagującymi na sygnały wysyłane przez Mastera lub bezpośrednio przez sterownik. To właśnie obecność mikrostyków i możliwość inicjowania sygnału czynią siłownik Master tak ważnym elementem całego układu.
Wiązki elektryczne: ukryty układ nerwowy Twojego samochodu
Wiązki elektryczne to swoisty układ nerwowy centralnego zamka, odpowiedzialny za przesyłanie sygnałów między wszystkimi jego elementami. Składają się z wielu cienkich przewodów, które muszą być odpowiednio zaizolowane i chronione. Niestety, są one szczególnie narażone na uszkodzenia w miejscach, gdzie kable muszą przechodzić przez ruchome elementy, takie jak drzwi. Gumowe przelotki, które chronią wiązki w otworach drzwiowych, często ulegają przetarciom, co może prowadzić do zwarć, przerw w obwodzie i w konsekwencji do awarii centralnego zamka.
Centralny zamek nie działa? Przewodnik po najczęstszych awariach
Jedne drzwi się nie zamykają? Prawdopodobnie to wina siłownika
Jednym z najbardziej typowych objawów awarii centralnego zamka jest sytuacja, gdy jedne, konkretne drzwi przestają reagować na polecenia zamykania lub otwierania. W większości przypadków winowajcą jest uszkodzony siłownik w tych właśnie drzwiach. Na szczęście, w porównaniu do innych elementów, siłowniki są stosunkowo tanie, a na rynku dostępne są uniwersalne zamienniki, które można łatwo zamontować, przywracając pełną funkcjonalność systemu.
Problem w przelotce drzwi: Gdzie najczęściej pękają przewody i co wtedy?
Przetarte przewody w gumowej przelotce między drzwiami a karoserią to kolejna częsta przyczyna problemów z centralnym zamkiem. Ciągłe ruchy drzwi powodują naprężanie i tarcie kabli, co z czasem prowadzi do ich uszkodzenia. Objawy mogą być różne: od braku reakcji zamka w danych drzwiach, przez jego nieregularne działanie, aż po zwarcia, które mogą skutkować przepaleniem bezpiecznika całego układu. W skrajnych przypadkach uszkodzona wiązka może nawet wpłynąć na działanie innych podzespołów elektrycznych w drzwiach.
Tajemnicze usterki w autach grupy VAG: zrozumieć problem "zimnych lutów" i mikrostyków
Samochody z grupy VAG (Volkswagen, Audi, Skoda, Seat) często borykają się ze specyficznymi problemami z centralnym zamkiem. Jednym z nich są awarie mikrostyków umieszczonych w mechanizmie zamka. Ich uszkodzenie może objawiać się na wiele sposobów, często mylących:
- Brak oświetlenia wnętrza po otwarciu drzwi.
- Samoczynne włączanie się alarmu po otwarciu drzwi.
- Ponowne ryglowanie się zamków zaraz po ich otwarciu.
- Brak sygnału dźwiękowego informującego o włączonych światłach.
- Niewłaściwe sygnalizowanie stanu zamka przez diodę w drzwiach.
Innym częstym problemem, szczególnie w starszych modelach, są tzw. "zimne luty" w module zamka lub module komfortu. Objawia się to losowymi usterkami, które często nasilają się wraz ze zmianami temperatury, co utrudnia diagnostykę.
Dlaczego po otwarciu drzwi auto samo się zamyka? Winny mikrostyk w zamku
Sytuacja, gdy po otwarciu drzwi samochód natychmiast samoczynnie je zamyka, jest frustrująca i zazwyczaj wskazuje na problem z mikrostykiem w zamku. Mikrostyk ten ma za zadanie informować sterownik o tym, czy drzwi są otwarte, czy zamknięte. Gdy ulegnie uszkodzeniu, może wysyłać błędne sygnały. W tym konkretnym przypadku, sterownik odbiera informację, że drzwi zostały otwarte, ale po chwili "myśli", że zostały już zamknięte (lub system z jakiegoś powodu interpretuje to jako sygnał do ponownego ryglowania), co skutkuje automatycznym zaryglowaniem wszystkich drzwi.
Gdy pilot odmawia posłuszeństwa: Czy to zawsze wina baterii?
Jeśli centralny zamek nie reaguje na sygnały z pilota, pierwszą i najprostszą rzeczą do sprawdzenia jest bateria w pilocie. Jej wyczerpanie to zdecydowanie najczęstsza przyczyna tego typu problemu. Jednakże, jeśli wymiana baterii nie przyniesie rezultatu, warto rozważyć inne możliwości. Sam pilot mógł ulec uszkodzeniu mechanicznemu lub elektronicznemu, albo też problem leży głębiej w samym sterowniku centralnego zamka, który mógł przestać odbierać sygnały radiowe.

Samodzielna diagnostyka centralnego zamka krok po kroku
Test słuchu: Co "mówią" siłowniki w każdych drzwiach?
Prosty, ale skuteczny sposób na wstępną diagnozę to tzw. test słuchu. Po naciśnięciu przycisku zamykania lub otwierania na pilocie lub w kabinie, wsłuchaj się uważnie w pracę siłowników we wszystkich drzwiach. Jeśli w jednym z drzwi nie słychać żadnego dźwięku, a w pozostałych tak, jest to silna wskazówka, że problem leży właśnie w siłowniku tych "milczących" drzwi. Jeśli wszystkie siłowniki pracują, ale drzwi się nie otwierają/zamykają, problem może być mechaniczny w samym zamku.
Kluczyk kontra pilot: jak ten prosty test zawęża pole poszukiwań awarii?
Porównanie działania centralnego zamka za pomocą kluczyka w zamku drzwi kierowcy i za pomocą pilota to kolejny prosty, ale bardzo pomocny test. Jeśli centralny zamek działa poprawnie po przekręceniu kluczyka, ale nie reaguje na pilota, można z dużym prawdopodobieństwem wykluczyć awarię siłowników i wiązek elektrycznych. Wskazuje to raczej na problem z samym pilotem (np. rozładowana bateria) lub z modułem odbiorczym sterownika. Jeśli natomiast nie działa ani pilot, ani kluczyk, problem może leżeć w sterowniku lub głównym zasilaniu.
Skrzynka z bezpiecznikami: Pierwsze miejsce, które warto sprawdzić
Zanim zaczniesz rozbierać drzwi czy szukać skomplikowanych problemów, zawsze warto sprawdzić bezpieczniki. Bezpieczniki chronią poszczególne obwody elektryczne przed przeciążeniem. Jeśli bezpiecznik odpowiedzialny za centralny zamek jest przepalony, cały system przestanie działać. Lokalizacja skrzynki z bezpiecznikami jest zazwyczaj opisana w instrukcji obsługi samochodu. Wyjęcie i wizualna kontrola bezpieczników to szybki i łatwy krok, który może rozwiązać problem.
Kiedy potrzebna jest diagnostyka komputerowa? Rozszyfrowujemy kody błędów
W przypadku bardziej złożonych problemów, zwłaszcza tych związanych z mikrostykami, modułami komfortu, czy błędami komunikacji między podzespołami, niezbędna może okazać się diagnostyka komputerowa. Specjalistyczny sprzęt podłączony do gniazda OBD samochodu pozwala odczytać kody błędów zapisane w pamięci sterowników. Na przykład, w autach grupy VW kod błędu 01331 może wskazywać na problem z modułem drzwi kierowcy. Odczytanie tych kodów znacząco przyspiesza proces diagnozy i pozwala na precyzyjne zlokalizowanie usterki.
Przeczytaj również: Peugeot Boxer: Jak opuścić koło zapasowe? Poradnik krok po kroku
Naprawa czy wymiana? Co warto wiedzieć przed decyzją
Uniwersalny siłownik: tanie i skuteczne rozwiązanie popularnego problemu
Gdy okaże się, że problemem jest uszkodzony siłownik w jednych drzwiach, warto rozważyć zakup uniwersalnego zestawu siłowników. Są one znacznie tańsze niż oryginalne części zamienne i oferują dobrą jakość wykonania. Ich montaż, choć wymaga pewnej wiedzy technicznej, jest zazwyczaj prosty i pozwala na szybkie przywrócenie pełnej sprawności centralnego zamka w całym samochodzie. To ekonomiczne i bardzo popularne rozwiązanie na rynku polskim.
Regeneracja zamka czy zakup nowego? Analiza kosztów i korzyści
Decyzja o regeneracji uszkodzonego zamka lub zakupie nowego elementu zależy od kilku czynników. Regeneracja może być opłacalna w przypadku bardziej skomplikowanych mechanizmów, gdzie wymiana całego elementu byłaby bardzo kosztowna. Jednakże, jeśli problem dotyczy prostego siłownika lub mikrostyków, często bardziej opłacalne i pewniejsze jest zakupienie nowego zamka lub siłownika. Należy wziąć pod uwagę koszt części, robocizny oraz trwałość obu rozwiązań.
Montaż uniwersalnego sterownika w starszym aucie: Czy to się opłaca?
W przypadku starszych samochodów, które fabrycznie nie były wyposażone w centralny zamek, montaż uniwersalnego sterownika może być bardzo opłacalną inwestycją. Pozwala to na dodanie nowoczesnej funkcjonalności, takiej jak sterowanie pilotem, bez konieczności wymiany całego mechanizmu zamków. Koszt takiego zestawu wraz z montażem jest zazwyczaj znacznie niższy niż próba adaptacji oryginalnych systemów. To świetny sposób na podniesienie komfortu i bezpieczeństwa użytkowania starszego pojazdu.
